SSP3 Panel Mount SSRs
Simple, safe and robust screw terminals
- Simple and easy wiring. Allows wires with all kinds of terminations (cable ends, fork lug, ring lug).
- Safe and fool-proof design with IP 20 protection and integrated enclosure.
- Robust self-aligned screw terminals with proven effectiveness in preventing screw jams.
Simplified installation and mounting
- Product option with ready factory-fit thermal pad.
- Heat sink provides Panel and DIN rail mounting options.
SSP3 Panel Mount SSRs
SSP3 three-phase panel mount relays
- Load output connection screw terminals
- Control input connection screw terminals
- Control input voltage LED indicator
- Factory-fit thermal pad that is glued on the rear of the product
- 25A and 50A units
- 530Vac rating
Zero cross and random switching
| Dielectric Strength | 4 kV AC for input or output to case, 4 kV AC for input/output |
| Mounting | Panel |
| Control Voltage | 18-36VAC, 180-280VAC, 4-32VDC, 90-140VAC |
| Torque | 0.9…1.1 N.m for input, 1.7…2.2 N.m for output |
| Connections – Terminals | Screw terminals : 1 x 1.5…1 x 10 mm², (AWG 16…AWG 8) for output |
| Insulation | >= 1000 MOhm at 500 V DC, Screw terminals : 1 x 0.2…1 x 2.5 mm², (AWG 24…AWG 14) for input |
| Solid State Output Type | Random Voltage Switching, Zero Crossing |
| Load Current | 0.1…25 A, or 0.1…50 A |
| Voltage Drop | <= 1.35 V on-state |
| Leakage Current | <= 3 mA off-state |
| DV/Dt | 500 V/μs off-state at maximum voltage |
| Overvoltage Category | III |
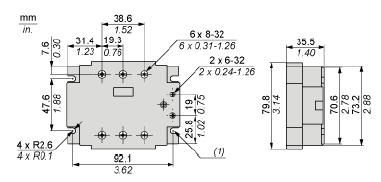
| Width | 101.3 mm |
| Depth | 35.4 mm |
| Weight | 0.36 kg |
| Pollution Degree | 2 |
| Standards | IEC 60950-1, IEC 61000, IEC 62314 |
| Approvals | CE, CSA, REACH, RoHS, UL |
| IP Rating | IP20 |
| Ambient Air Temperature for Operation | -40…80 °C |
| Ambient Air Temperature for Storage | -40…125 °C |
| Transient Overvoltage | 1200 V |
| Output | 48…530 VAC |
| Height | 79.7 mm |
| Phases | 3-phase |
| Contact Inputs | 3 NO |
| Control Types | Without Test Button |
| Power Rating | >= 0.5 With Maximum Load |
| Maximum Capacitance | <= 8 pF for input/output |
| LED Indicator | LED green for input status |
| Flame Retardance | V0 conforming to UL 94 |
| Sustainable Offer Status | Green Premium product |
| RoHS (date code:YYWW) | Compliant – since 1328 |
| Product Environmental Profile | Available |
| Product End of Life Instructions | Available |


